3Dスキャニングシステム F10/U10/G10シリーズ
カタログはこちら
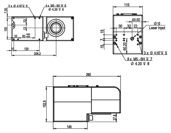
ハードウェアの構成
標準構成のすべてのコアコンポーネントは、業界のトップメーカーから供給を受けています。
- 高速デジタルスキャナ:米国CTI社が設計し、高速性、安定性、効率性を備えています。
- 光学設計:レーザビーム特性に基づいて設計された革新的な非球面レンズ(PAT. 201410460960.6)
- Z軸:高安定で長寿命のTHK株式会社製(日本)高精度リニアスライダー(ガイダー)を搭載し、高速リンケージを採用し、速い応答時間を実現しました。
ソフトウェアの構成
- 自己設計のLenMarkソフトウェア:オープンインタフェース、特定仕様に合わせたカスタマイズが可能
- LenMark-3DSソフトウェア:三次元曲面と浮彫の高品質加工
- 様々な業界向けの個性的なソフトウエア:動くワークピース上のレーザマーキング、視覚的な位置決め、刺繍用やその他の産業向けのエッジカット
一般仕様